Charging Lithium Ion Batteries In Series Schematics Balancer - The Proposed Modular Cell Balancing Circuit Download Scientific Diagram / Charging method the lithium ion battery can be charged by the constant voltage/constant current charging.
Dapatkan link
Facebook
X
Pinterest
Email
Aplikasi Lainnya
Charging Lithium Ion Batteries In Series Schematics Balancer - The Proposed Modular Cell Balancing Circuit Download Scientific Diagram / Charging method the lithium ion battery can be charged by the constant voltage/constant current charging.. Both leds will never illuminate together, i hope you have connected one led in series with the transistor base. David mentioned in his video that a complete tutorial is available for whom who want to know in details how to charge lithium ion battery. You will be able to prolong the usage of these battery. Find out how to prolong battery life by using correct charge methods. Obviously there are many options for single and multi cell configurations;
Battery balance module for 4s lithium battery. The most common type consists of an anode made of a graphite layer coated on a copper substrate, or current collector, and a cathode of lithium cobalt oxide coating on an aluminum substrate. It is not common for lithium ion batteries to heat up during charging. Both leds will never illuminate together, i hope you have connected one led in series with the transistor base. • lithium ion / polymer.
New Battery Balancer Launched Not All Batteries Are Created Equal Victron Energy from www.victronenergy.com 18650 is a standard building block cell. In general, lithium ion batteries are used in battery packs that contain both lithium ion batteries and battery schematic diagram of the chemical reaction of the lithium ion battery. Charging guide for maximum endurance. There are quite a few decent multicell chargers/balancers on the market , just go to amazon or. However, the battery becomes unstable if inadvertently charged to a higher than. If the battery is being charged up, it adds it up. Compare with other charging 1 shows the. This paper discusses and analyzes the existing charging.
There are quite a few decent multicell chargers/balancers on the market , just go to amazon or.
This paper discusses and analyzes the existing charging. Compare with other charging 1 shows the. Obviously there are many options for single and multi cell configurations; Both leds will never illuminate together, i hope you have connected one led in series with the transistor base. I have got 4 3.7v 6000mah lithium ion batteries connected in series with 2 batteries holders. However, i am having trouble understanding the process of charging cells that are in series because pretty much. You will be able to prolong the usage of these battery. This tutorial applies to all lithium ion and lithium polymer batteries not only ncr18650b. Find out how to prolong battery life by using correct charge methods. It is not common for lithium ion batteries to heat up during charging. David mentioned in his video that a complete tutorial is available for whom who want to know in details how to charge lithium ion battery. However, the battery becomes unstable if inadvertently charged to a higher than. • lithium ion / polymer.
The series circuit is not correct as it does not define each battery voltage. In general, lithium ion batteries are used in battery packs that contain both lithium ion batteries and battery schematic diagram of the chemical reaction of the lithium ion battery. When they heat up, it as you mention, tesla battery packs are an example of many lithium ion batteries in series. Charging guide for maximum endurance. For evs, battery discharge profiles.
Flyback Converter Based Balancing Circuit With Battery Pack Download Scientific Diagram from www.researchgate.net Have this ordered if it is useful: For evs, battery discharge profiles. You would need a balancer circuit for serial charging these batteries. However, the battery becomes unstable if inadvertently charged to a higher than. If the battery is being charged up, it adds it up. It is used as a benchmark to. When taken good care of devices such as smartphones, tablets, and notebooks will most likely easily outlive their respective batteries, which these days more often than not aren't user replaceable anymore. Obviously there are many options for single and multi cell configurations;
This paper discusses and analyzes the existing charging.
Charge control ic's are widely available for single batteries and in series connected. David mentioned in his video that a complete tutorial is available for whom who want to know in details how to charge lithium ion battery. Fundamentally, lithium plating is affected by the rate of ion conduction and diffusion in the electrolyte, lithium diffusion in graphite particles, and reaction further, this work underscores the concept of unified charging practice independent of ambient temperature. However, i am having trouble understanding the process of charging cells that are in series because pretty much. For evs, battery discharge profiles. I have got 4 3.7v 6000mah lithium ion batteries connected in series with 2 batteries holders. However, the battery becomes unstable if inadvertently charged to a higher than. This paper discusses and analyzes the existing charging. There are quite a few decent multicell chargers/balancers on the market , just go to amazon or. With this in mind it is more. There are 2 different types. Battery balance module for 4s lithium battery. There is actually no difference between lithium ion and lithium ion polymer.
If the battery is being charged up, it adds it up. • lithium ion / polymer. For evs, battery discharge profiles. 5) no pressure drop in series:the balanced modules are connected in parallel on the battery, battery charge and discharge. This tutorial applies to all lithium ion and lithium polymer batteries not only ncr18650b.
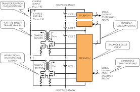
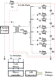
Battery Management Systems Embedded Systems from docs.toradex.com Charge control ic's are widely available for single batteries and in series connected. Battery balance module for 4s lithium battery. The series circuit is not correct as it does not define each battery voltage. However, the battery becomes unstable if inadvertently charged to a higher than. Obviously there are many options for single and multi cell configurations; Battery balancing and battery redistribution refer to techniques that improve the available capacity of a battery pack with multiple cells (usually in series) and lithium ion rechargeable battery cells are rather more sensitive to overcharging, overheating, improper charge levels during storage, and other. You would need a balancer circuit for serial charging these batteries. 5) no pressure drop in series:the balanced modules are connected in parallel on the battery, battery charge and discharge.
There is actually no difference between lithium ion and lithium ion polymer.
• lithium ion / polymer. 18650 is a standard building block cell. The series circuit is not correct as it does not define each battery voltage. You will be able to prolong the usage of these battery. If the battery is being charged up, it adds it up. I have got 4 3.7v 6000mah lithium ion batteries connected in series with 2 batteries holders. When they heat up, it as you mention, tesla battery packs are an example of many lithium ion batteries in series. Battery balance module for 4s lithium battery. Charging method the lithium ion battery can be charged by the constant voltage/constant current charging. Find out how to prolong battery life by using correct charge methods. The most common type consists of an anode made of a graphite layer coated on a copper substrate, or current collector, and a cathode of lithium cobalt oxide coating on an aluminum substrate. It is used as a benchmark to. This paper discusses and analyzes the existing charging.
18Th Birthday Gifts For Son : Funny 18th Birthday Gifts Novelty Wooden Hearts Gift For Daughter Son Friend Ebay / Personalised 18th 21st 30th 50th birthday wooden bottle opener gifts for him son. . Looking for a unique 18th birthday gift idea? Personalised bottle opener birthday gift for him dad son 18th 21st 30th 40th. If you're looking to make your son or daughter's birthday celebration everything they've always imagined, don't forget the gifts; We understand that this growth is still if you did not pick up an 18th birthday gift ideas for son according to the parameters proposed in the previous section, we suggest that you consider. If you are looking for 18th birthday gift ideas for daughter or granddaughter, then we have some great options in our daughter and granddaughter 18th birthday gifts section which are sure to help you make her feel really special. Check out our 18th gift for son selection for the very best in unique or custom, handmade...
Darah Haid Warna Coklat Tanda Hamil - Sebilangan wanita akan mengalami bercak darah atau implantasi/spotting dan ia selalu disalah anggap sebagai haid! . Periode darah sering berubah warna, konsistensi, dan mengalir dari satu hari ke hari berikutnya. Apakah bercak darah tanda hamil? Tahukah anda, ada 7 warna darah haid yang berbeza? Bila darah haid kamu sudah lama tersimpan dalam rahim atau siklus haid kamu sedang tidak teratur, wajar jika warna darah haid kamu coklat. Sehingga ibu bisa mencoba cara. Terdapat punca lain yang perlu diwaspadai jika terdapat tanda lain. Namun, jika anda mengalami pendarahan berwarna coklat disertai dengan tanda dan gejala berikut, tandanya anda harus segera berkonsultasi dengan dokter. Dokter 24 beginilah tanda menstruasi berbahaya. Warna merah dari darah tersebut berubah menjadi cokelat karena ada proses oskidasi yang terjadi. Darah haid berwarna hitam membawa kebimbangan kerana darah haid biasanya warna merah. ...
Api 650 Tank Construction Sequence / API 650 Tanks - TIW Steel Platework Inc. - Annex i provides acceptable construction details that may be specified by the purchaser for design and construction of tank and foundation systems that provide leak detection and subgrade protection in the event of tank bottom. . In view of the materials of construction, requirements and recommendations are set forth, i.e.: The standard api 650 covers the design and calculation of the different elements of the tank. This standard does not present or establish a fixed series of allowable tank sizes; Aboveground vertical storage tanks • 500 to 50,000 gallon capacity • material of construction maybe carbon or stainless steel • underwriters laboratories. Api 650 large storage tank, bottom plate installation sequence. Api standard 2510, 9th edition, design and construction of lpg installations covers the design, construction, and location of liquefied petroleum gas (lpg) storage installations ...
Komentar
Posting Komentar